ABM/ABX Series
Combined Type Vacuum Pump
ABM/ABX Series Combined Type Vacuum Pump
ABM-ABX Series
Features
How to order
Technical parameters
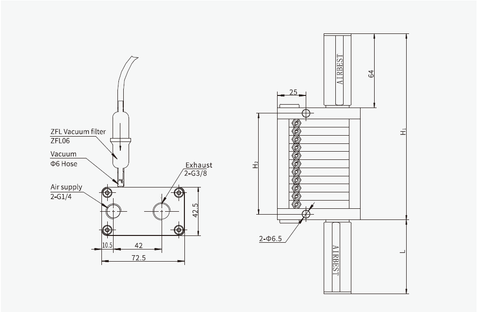
Dimensions (mm)
Download
Back
No information!

How to order
ABM 5 × 5 - 4 - F  L
①  ②    ③   ④   ⑤  ⑥






① Series② Specification③ Vacuum 
   stack
④  Vacuum port,
    inner dia of hose
⑤ Sealing⑥ Vacuum filter
ABM - Universal type(-85kPa)
ABX - High vacuum level(-92kPa)
5
10
2、3、4、5、
6、7、8、9、
10、11、12、
13、14、15、
16(Layer)
4 - φ4Nil - Standard,NBR
F    - Fluorine rubber
E    - EPDM
Nil - Standard, 
without vacuum filter
L   - With ZFL 06 
vacuum filter



Selection

ModelSpecificationVacuum 
stack
Vacuum port,
inner dia of hose
SealingVacuum filter
NilFENilL
ABM52-164
ABX102-124

◇Note: "●"- standard, in stock. "○"-selective,no stock.



Technical parameters
Vacuum flow (NL/min) at different vacuum levels (-kPa)
ModelSpecificationAir supply 
pressure (bar)
Air 
consumption
(NL/min)
0102030405060708090Max. vacuum 
level (-kPa)
ABM5×1620251512.511107.55.520.6-85
ABM10×16423228242218151151.35-85
ABX5×162223141097.5642.81.50.4485
ABX10×16403221181614119.55.52.51.185


Evacuation time (s/L) to reach different vacuum levels (-kPa)
ModelSpecificationAir supply 
pressure (bar)
Air 
consumption
(NL/min)
102030405060708090Max. vacuum 
level (-kPa)
ABM5×16200.20.591.11.582.43.525.310.3-85
ABM10×16420.120.280.60.811.181.822.655.21-85
ABX5×16220.210.811.522.353.484.856.5710.519.392
ABX10×16400.140.40.781.221.772.43.34.959.6292


ModelSpecificationAir supply 
pressure (bar)
Max. vacuum 
level (-kPa)
Max. 
Vacuum flow
(NL/min)
Air 
consumption
(NL/min)
Noise level
dB(A)
Weight
(g)
Recommended hose dia. (mm)
Air supply 
(P)
Vacuum 
(V)
Exhaust 
(E)
ABM5×24.5-6.08525×229-4155 - 606766G3/8×1
ABM5×34.5-6.08525×344-6455 - 608066G3/8×1
ABM5×44.5-6.08525×461-8555 - 6024786G3/8×1
ABM5×54.5-6.08525×571-10460 - 6525586G3/8×1
ABM5×64.5-6.08525×689-12560 - 6528186G3/8×1
ABM5×74.5-6.08525×7104-14560 - 6529986G3/8×1
ABM5×84.5-6.08525×8120-16860 - 65317106G3/8×1
ABM5×94.5-6.08525×9132-19060 - 65335106G3/8×1
ABM5×104.5-6.08525×10148-21160 - 65353106G3/8×1
ABM5×114.5-6.08525×11165-23260 - 65371106G3/8×1
ABM5×124.5-6.08525×12180-252560 - 65389106G3/8×2
ABM5×134.5-6.08525×13195-27560 - 65417106G3/8×2
ABM5×144.5-6.08525×14208-29360 - 65435106G3/8×2
ABM5×154.5-6.08525×15225-31660 - 65453126G3/8×2
ABM5×164.5-6.08525×16241-33560 - 65471126G3/8×2
ABM10×24.5-6.08532×261-8555 - 606786G3/8×1
ABM10×34.5-6.08532×391-12560 - 658086G3/8×1
ABM10×44.5-6.08532×4121-16760 - 65247106G3/8×1
ABM10×54.5-6.08532×5151-21260 - 65255106G3/8×1
ABM10×64.5-6.08532×6185-25560 - 65281106G3/8×2
ABM10×74.5-6.08532×7211-29560 - 65299106G3/8×2
ABM10×84.5-6.08532×8241-33560 - 65327106G3/8×2
ABM10×94.5-6.08532×9271-37660 - 65345126G3/8×2
ABM10×104.5-6.08532×10301-42160 - 65363126G3/8×2
ABM10×114.5-6.08523×11332-46360 - 63381126G3/8×2
ABM10×124.5-6.08523×12361-50560 - 63399126G3/8×2
ABX5×24.5-6.09223×243-4955 - 606766G3/8×1
ABX5×34.5-6.09223×365-7355 - 608066G3/8×1
ABX5×44.5-6.09223×485-9660 - 6324786G3/8×1
ABX5×54.5-6.09223×5106-12160 - 6325586G3/8×1
ABX5×64.5-6.09223×6130-14460 - 6328186G3/8×1
ABX5×74.5-6.09223×7151-16760 - 6329986G3/8×1
ABX5×84.5-6.09223×8173-19360 - 63317106G3/8×1
ABX5×94.5-6.09223×9195-21760 - 63335106G3/8×1
ABX5×104.5-6.09223×10215-24160 - 63353106G3/8×1
ABX5×114.5-6.09223×11238-26560 - 63371106G3/8×1
ABX5×124.5-6.09223×12260-28960 - 63389106G3/8×2
ABX5×134.5-6.09232×13281-31360 - 63417106G3/8×2
ABX5×144.5-6.09232×14346-33563 - 65435106G3/8×2
ABX5×154.5-6.09232×15389-36163 - 65453106G3/8×2
ABX5×164.5-6.09232×16346-38563 - 65471106G3/8×2
ABX10×24.5-6.09232×287-9660 - 636766G3/8×1
ABX10×34.5-6.09232×3130-14563 - 658066G3/8×1
ABX10×44.5-6.09232×4173-19363 - 6524786G3/8×1
ABX10×54.5-6.09232×5215-24163 - 6525586G3/8×1
ABX10×64.5-6.09232×6260-28863 - 65281106G3/8×2
ABX10×74.5-6.09232×7303-33763 - 65299106G3/8×2
ABX10×84.5-6.09232×8346-38563 - 65327106G3/8×2
ABX10×94.5-6.09232×9389-43363 - 65345126G3/8×2
ABX10×104.5-6.09232×10433-48163 - 65363126G3/8×2
ABX10×114.5-6.09232×11476-52963 - 65381126G3/8×2
ABX10×124.5-6.09232×12519-57863 - 65399126G3/8×2


image.png

ModelSpecificationH1H2Air supply portVacuum portExhaust port
ABM
ABX
5(10)×291.527.5G1/8FM5-Φ6External silencer
5(10)×39935



image.png

ModelVacuum stack510Air 
supply port
Vacuum 
port
Exhaust 
port
H1H2LH1H2L
ABM
ABX
411339-11339-G1/4Φ6 Hose
fitting
External 
silencer
512147-12147-
612854-1285464
713561-1356164
814268-1426864
915076-1507664
1015783-1578364
1116490-1649064
1217298641729864
1317910564---
1418611264---
1519412064---
1620112764---


ABM ABX Combined type vacuum pump
Download
Other Products
No information!